








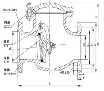
Usage:It Can prevent the water from flowing chedk valve.
| Copyright(C) Baoding Wanmei Machine Co.,Ltd Contact:Miss.Liu Mobile:0086-15531272065 Phone:0086-312-3106071
Address:Longxing Business Building,Longxing Road No.77,Baoding,Hebei Province,China Support:ShiJiaZhuang HuiHuangYuan Trade c., Ltd |