








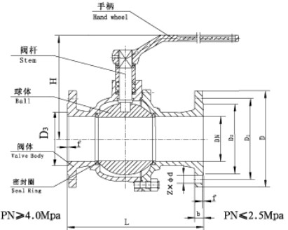
Usage:This valve is applicable to the water,steum or oil pipeline which is noncorroseve medium and the pipeline must be the working temperature≤200°.
| Copyright(C) Baoding Wanmei Machine Co.,Ltd Contact:Miss.Liu Mobile:0086-15531272065 Phone:0086-312-3106071
Address:Longxing Business Building,Longxing Road No.77,Baoding,Hebei Province,China Support:ShiJiaZhuang HuiHuangYuan Trade c., Ltd |