


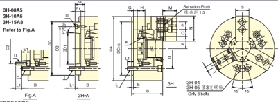
through-hole 3 jaw power chuck
1.body material:cast iron
2. Short cylindrical connection
3. Suitable for bar processing
4.the chucks are ecnomical and practical and with high performance reliable
1.It's a wedge-hook type 3-jaw with the large through-hole.
2.Matching surfaces of all parts hardened,ground and lubricated directly.
3.Construction of high rigidity and high clamping accuracy.



As long as you think of, we can do it!
Please contact me:
Gailan Liu
Baoding wanmei machine Co.,LTD
Tel:+0086 0312 3106071
Fax:+086 0312 3106075
mobile China: +86 155 3127 2065
http://www.baodinghl.com
http://bejjsl.en.alibaba.com/
skype:jsllgl2012
| Copyright(C) Baoding Wanmei Machine Co.,Ltd Contact:Miss.Liu Mobile:0086-15531272065 Phone:0086-312-3106071
Address:Longxing Business Building,Longxing Road No.77,Baoding,Hebei Province,China Support:ShiJiaZhuang HuiHuangYuan Trade c., Ltd |